Deskripsi
Pad-Mounted Transformer
Pad-mounted transformer components solutions, including cable connectors, low voltage bushing, backup fuse, bay-o-net fuse, dual sensing fuse link, tap changer, loadbreak switch, pressure vacuum gauge, oil level indicator, bimetal thermometer, etc.
A. LOAD BREAK SWITCH

Product Name : Loadbreak Switch 12kV~40.5kV
Model No. : BF Y3
Optional Models :
12KV 630A : G4 BFY312-12/630-16-II
24KV 315A : G4 BFY312-24/315-16-II
24KV 630A : G4 BFY312-24/630-20-II
40.5KV 315A : G4 BFY312-40.5/315-16-II
40.5KV 630A : G4 BFY312-40.5/630-20-II
Nominal System Voltage : 12kV, 24kV, 40.5kV
Rated Voltage : 35kV, 10kV, 10kV~20kV
Rated Current : 315~630A
Place of Original : China
Brand : GRID POWER TECHNOLOGY

Product Name : Two-position Sidewall Switch
Series : FYN Series
Model No. : TC FYN33-2/315
Standard : JB/T10621
Continuous Operating Voltage : 6~35kV
Continuous Nominal Current : 200~630A
Place of Original : China

Product Name : Four Position Oil Immersed Load Switch
Series : FYN33
Model :
FYN33-12/630
FYN33-12/630-20-K
Rated voltage : 10kV
Rated Current : 630A
Rated Peak Withstand Current : 50KA , 31.5kA
Maximum voltage of equipment : 12kV
Place of Original : China
B. LOADBREAK BUSHING INSERT


Product Name : 15kV 200A Loadbreak Bushing Insert
Model No. : G4 BI-15/200
Standard : IEEE-386
DC 15 Min. Withstand : 53KV
BIL Rating : 95KV
Partial Discharge : 11KV<3PC
Continuous Current : 200A
AC 50Hz 1 Min. Withstand : 34KV

Product Name : Fault Indicator
Models :
2DX-R : 2DX-R
2DH-R : 2DX-R
Applicable Line Current L 200~1200A
Applicable Line Voltage : 6-36kV
Short Circuit Trip Current : ≥200A
Action Response Time : 0.02s≤ t≤ 4s
Operating Temperature Range : -40℃ ~ +75℃
Auto-reset Time : 8H
Optical Fiber : Φ=2.2mm, Length=3m
Remote Lamplet insert Hole : Φ=8mm

Product Name : M.O.V Bushing Surge Arrester
Model No. : TC QBLQ-17/50
Standard : ANSI/IEEE592
Continuous Operating Voltage : 17 kV
Place of Original : China
Brand : TENSENG
E. BUSHING WELL Up To 35kV

Product Name : 36kV/ 1000~3150A MV Bushing
Optional Type :
Rated Current(A) : 1000
Rated Current(A) : 2000
Rated Current(A) : 3150
Rated Voltage : 36kV
Lightning Impulse : 170kV
Creep Distance : 635
Power Frequency Wet Withstand : 70
Min. Dry Arc. Distance : 220
Standard : DIN 42533
Place of Original : China
Brand : GRID POWER TECHNOLOGY
F. TRANSFORMER METERING

Product Name : Bimetal Thermometer
Model No. : BWS-70
Working Condition : -40℃-+55℃
Accuracy Class : ±2.5%
Place of Original : China

Product Name : Top Oil Temperature Indicator
Model No. : BWY-804
Pt100 : Type of output signal
DC 4-20mA : Type of output signal
DC 0-5V : Type of output signal
Working Condition : -40℃ ~ +50℃
Accuracy Class : ±1.5%
Output Signal : Yes
Degree of Protection : IP55
Place of Original : China


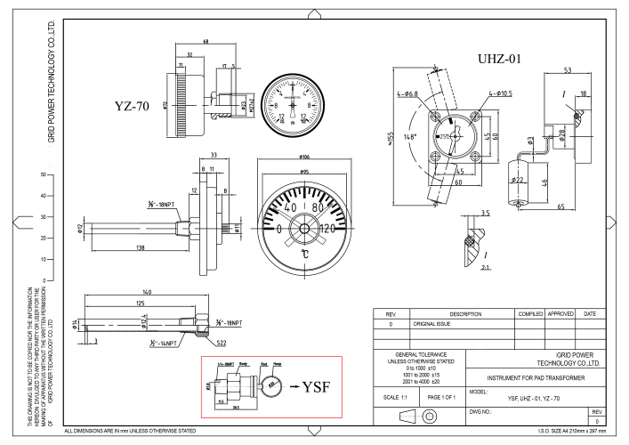
Product Name : Oil Level Gauge
Model No. : UHZ-01
Working Condition : -40℃-+80℃
Relative Humidity : ≤90%
Altitude : ≤2000m

Product Name : 15kV 200A PT Loadbreak Elbow Connector
Model No. : G4 PTLE-15/200
Standard : IEEE-386
DC 15 Min. Withstand : 53KV
BIL Rating : 95KV
Partial Discharge : 11KV<3PC
Continuous Current : 200A
AC 50Hz 1 Min. Withstand : 34KV

Product Name : 7.2kV, Current Limiting Back-Up Fuse-Links,6.3A to 200A
Model No. : XRNT4
Optional Model :
SDLDJ-7.2
SFLDJ-7.2
SXLDJ-7.2
Voltage Rating : 7.2kV
Rated Current : 6.3A~250A
Rated Breaking Capacity [kA] : 50
Place of Original : China
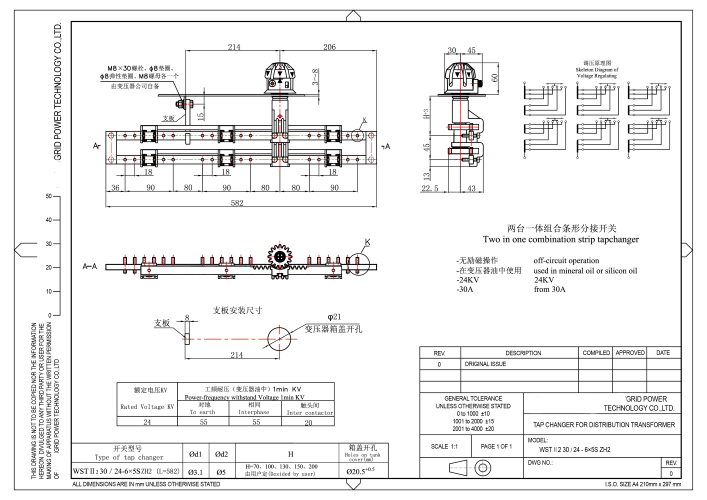
I. TAP CHANGER


Product Name : 30A/24kV ZH Tap Changer
Model No. : WST II2 30/24-6x5S ZH2
Rated Current : 30A
Rated Voltage : 24kV
Power Frequency : 55kV
Tapping Position : 5

Product Name : L.V. Transformer Bushing (DIN)
Model No. : A1-250~B-3150
Standard : DIN42530,DIN42539
Lightning Impulse : 40kV
Power Frequency Dry Withstand : 14kV
Power Frequency Wet Withstand : 10kV
Creep Distance : 60mm~125mm
Optional Models :
A1-250 : 1kV, 250A
B-250 : 3kV, 250A
A1-630 : 1kV, 630A
B-630 : 3kV, 630A
A1-1000 : 1kV, 1000A
B-1000 : 3kV, 1000A
A1-2000 : 1kV, 2000A
B-2000 : 3kV, 2000A
A1-3150 : 1kV, 3150A
B-3150 : 3kV, 3150A
Place of Original : China
Brand : GRID POWER TECHNOLOGY
K. BAY-0-NET FUSES HOLDER

Product Name : Bay-0-Net Fuse Assembly
Model No. : PRNT
Rated Voltage : 15.5kV, 8.3, 23
Impulse Withstand Voltage : 150kV
AC60/50Hz 1 Minute Withstand : 50kV
Optional Models :
G4 PRNT-25 : 23KV
G4 PRNT-15 : 15.5KV
G4 PRNT-10 : 8.3KV







Ulasan
Belum ada ulasan.